Описание
Насос НМШГ 8-25 выпущенный в исполнении НМШГ 8-25-1,7/2,5-Рп – это шестерённый регулируемый агрегат (Рп), объёмного типа с давлением на выходе 0,25 МПа. Взрывобезопасного исполнения. Вязкость жидкости для перекачивания 10…25 0ВУ (битум. рубракс, пек) Подача его регулируется в пределах 0,08…0,47 л/с. КПД составляет 18%. Подключён насос к двигателю с напряжением 380 В, частотой тока 50 Гц, вращением ротора 60…400 оборотов в минуту и мощностью 1,1 кВт. Мощность насоса в агрегате не более 0,7 кВт.
Технические характеристики
Подача, л/с (м3/ч), не менее : 0,08…0,47(0,28…1,7) Давление насоса на выходе, МПа (кгс/см2), не более: 0,25(2,5) Мощность насоса в агрегате, кВт, не более: 0,7 КПД насоса в агрегате, % не менее: 18 Внешняя утечка,м3/ч (л/ч),не более: 0,00006(0,167) Напряжение, В : 380 Частота тока, Гц: 50 Род тока: Переменный Масса, кг: 26,5 Масса агрегата, кг: 80Характеристика насоса
Характеристика насоса серии НМШГ8-25-1,7/2,5-Рп.
Жидкость - масло
Кинематическая вязкость -0,75 10-4 м2/c (10°ВУ)
Давление насоса - 0,25 МПа (2,5 кгс/см2)
Подпор - 0,5 м
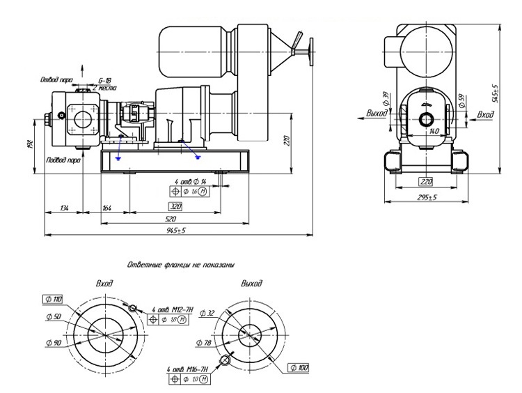
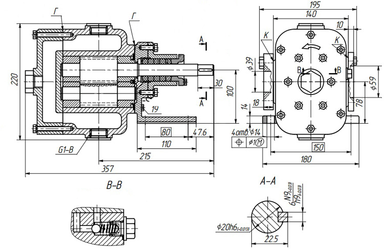
Габаритные размеры
Габаритные размеры агрегатов с литым фонарем серии НМШГ8-25-1,7/2,5-Рп.
Габаритные размеры и параметры агрегатов
Габаритные размеры агрегатов с литым фонарем серии НМШГ8-25-1,7/2,5-Рп.
