Характеристики
Подача, м3/ч
—
1200
По запросу
Нашли дешевле?
Выберите нужный вариант товара
Насос А24А-18х1
Описание
Технические характеристики
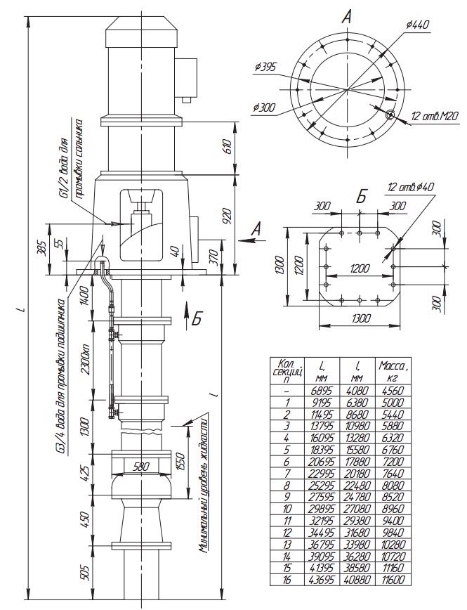
| Типоразмер агрегата | А24А-18х1 |
| Подача, м3/ч | 1200 |
| Напор, м | 45 |
| Частота вращения, об/мин | 1450 |
| Мощность двигателя, кВт | 250 |
| Макс. количество секций | 16 |
| Габаритные размеры, (LxBxH), мм | 43640х1040х1040 |
| Масса, кг | 11460 |
Габаритный чертеж

Характеристика насоса

