Характеристики
Подача, м3/ч
—
14.4
Напор, м
—
20.4
По запросу
Нашли дешевле?
Под заказ
Наши менеджеры обязательно свяжутся с вами и уточнят условия заказа
Описание
Справа от картинки указаны крайние точки: подача при нулевом напоре, напор при нулевой подаче.
Подробные параметры приведены в таблице.
1 - GRS 100/2/G40H A0СM[T]50

Подробные параметры приведены в таблице.
Характеристики насоса
| Подача, м3/ч | 0,0 | 3,6 | 7,2 | 10,8 | 14,4 |
| Напор, м | 20,4 | 18,7 | 16,8 | 14,0 | 7,0 |
1 - GRS 100/2/G40H A0СM[T]50
Технические данные
| Насос | Напряжение, В | Фазы | P1, кВт | Р2, кВт | Ток, А | Частота, об/мин | Диаметр патрубков | Свободный просвет, мм |
|
GRS 100/2/G40H A0СM50 |
230 | 1 | - | 0.9 | 6.6 | 2900 | G 1 1/2" DN32 PN6 | - |
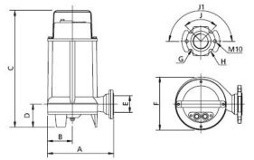
Габаритные размеры

| Насос | А | B | C | D | E | F | G | H | J | J1 | Масса, кг |
|
GRS 100/2/G40H A0СM50 |
205 | 80 | 365 | 70 | G 1 1/2" | 165 | 14 | 90 | 90° | 180° | 21 |

