Характеристики
Подача, м3/ч
—
0.16
Мощность, кВт
—
0.55
По запросу
Нашли дешевле?
Выберите нужный вариант товара
Насос НД2,5 160/25 К14А (В) агрегат с общепромышленным двигателем
Комплектация трехвинтовых насосов:
агрегат с общепромышленным двигателем
Насос НД2,5 160/25 К14А (В) агрегат со взрывозащищенным двигателем
Комплектация трехвинтовых насосов:
агрегат со взрывозащищенным двигателем
Описание
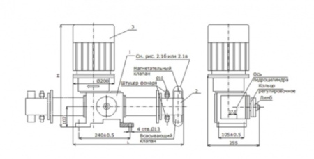
Технические характеристики и габаритные размеры
| Модификация | N, кВт | Q, м3/ч | P, кгс/см2 | Размеры, мм | Масса, кг | ||
| 100 ход/мин | L | H | d1 | ||||
| НД2,5 160/25 К14А (В) | 0,55 | 0,16 | 25 | 548 | 507 (527) | 18.5 | 50(55) |

